Українською

Ventrex

приточно-вытяжные установки, вентиляторы,
тепловые завесы, центральные кондиционеры
Телефоны отдела продаж:

+38 (098) 817-57-56

+38 (097) 610-15-15

e-mail:   sales@ventrex.com.ua


ООО "СКС"
03115, Украина, г. Киев,
бульвар Вернадского 5/19, оф. 18.
(метро Святошино или Житомирская,
возле памятника Вернадскому)
Схема проезда

Доставка по всей Украине.


Регулятор электрического нагрева Ventrex EKRV15P


EKRV 15P представляет собой пропорциональный контроллер для многоступенчатых (до 5 ступеней) электронагревателей с автоматической адаптацией к напряжению. Вся нагрузка регулируется по принципу ВКЛ/ВЫКЛ. Соотношение между временем включения и выключения варьируется от 0 до 100% для выполнения заданной уставки по температуре.

EKRV 15P предназначен только для управления электронагревателями. Заложенный принцип управления не позволяет использовать его для управления электродвигателями и освещением.

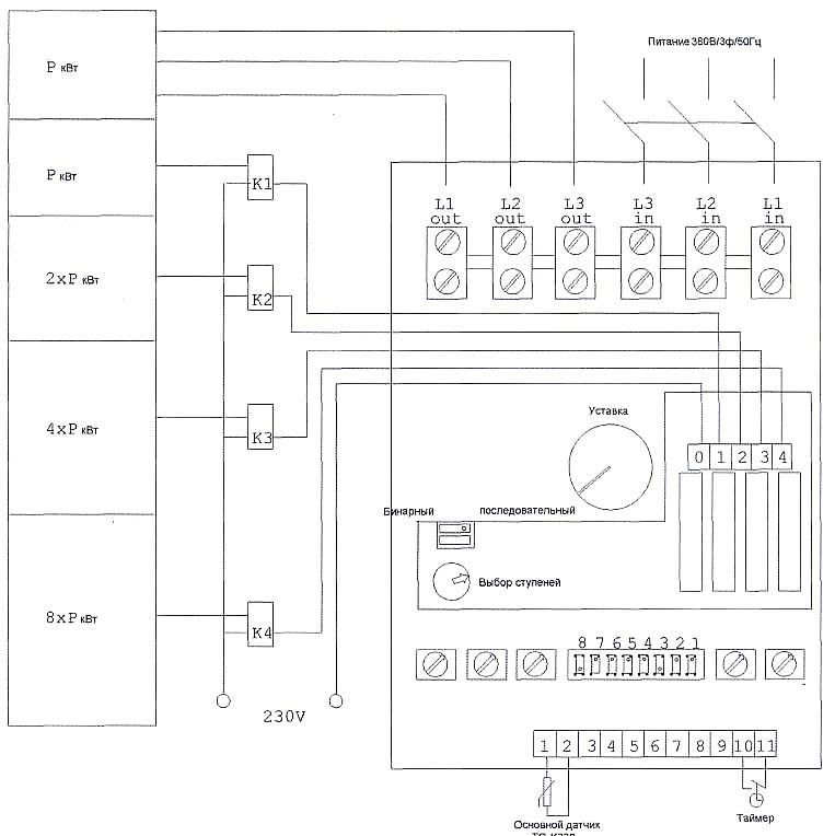
EKRV 15Р может управлять электронагревателем мощностью до 15 кВт и имеет 4 релейных выхода для управления внешней нагрузкой при помощи контакторов, на которые может быть подключена нагрузка до 225 кВт. Полная нагрузка, таким образом, может составить 240 кВт.

Выход EKRV 15P имеет функцию распознавания нулевого угла фазы для предотвращения радиопомех.

Если выходной сигнал находится в положении ВКЛ более 5 минут, контроллер подключает следующую ступень нагрева. Следующая ступень будет включена после 2 минут, если предыдущая в течение этого времени находится непрерывно во включенном состоянии. Включение каждой последующей ступени выполняется по такому алгоритму: отключение ступеней осуществляется в обратной последовательности (через 5 минут первая, затем через 2 минуты каждая последующая).

Дополнительная нагрузка может переключаться в бинарном или последовательном режиме. Количество включенных дополнительных ступеней устанавливается поворотом переключателя. В бинарном режиме количество ступеней варьируется от 0 до 15, в последовательном - от 0 до 4.

Беспотенциальный контакт может использоваться для задания ночной уставки 0-10°С. Регулировка выполняется потенциометром (контакты 10, 11).


Технические характеристики

Управляемая нагрузка, кВт15
Число выходов для ступеней дополнительной нагрузки (5 А/230 V)*4
Максимальный ток нагрузки, А25
Напряжение питания, В380-415
Частота, Гц50-60
Фазы3~
Размеры (Ш х В х Д), мм105 х 260 х 120
Предохранители, А4x0,315
Класс защитыIP20
Температура окружающей среды (без образования конденсата), С0-40
Тепловыделение, Вт50
Влажность окружающей среды90%RH max.

* Внешняя нагрузка должна подключаться посредством контактора к релейному выходу


Электрические соединения

Терминалы LI in, L2in и L3in

Электропитане 380-415 В, 3 фазы, 50-60 Гц. Максимальный ток 25 А/фазу.

EKRV15Р может управлять как симметрично подключенными нагревателями, включенными по схеме «звезда», так и симметрично или асимметрично подключенными нагревателями по схеме «треугольник».

Питание должно быть подключено через прерыватель фазы с расстоянием между контактами не менее 3 мм. Выключатель должен быть промаркирован в соответствии с местными требованиями. EKRV15P должен быть заземлен. Автоматы и кабели должны иметь сечение, адекватное включенной нагрузке.

Открывать контроллер допускается только после отключения питания.


Выходная нагрузка

Терминалы L1out, L2out и L3 out.

Резистивный 3-х фазный нагреватель без нейтрали. Максимальный ток - 25 А. Минимальная нагрузка - ток между фазами 4 А.


Схема подключения

схема подключения Ventrex

Потенциометр уставки температуры

потенциометр уставки температуры Ventrex

Датчик предельной температуры

датчик предельной температуры Ventrex
Низкое напряжение. Полярность не имеет значения.

При управлении температурой воздуха в помещении температура приточного воздуха не должна выходить за установленные ограничения. Датчик предельной температуры размещается в приточном воздуховоде после нагревателя. Уставки предельных температур выставляются потенциометрами Min (0-20°C) и Мах (25-60°С). В качестве датчика используется NTC10 с диапазоном 0-60°С.


Основной датчик и внешняя уставка

Низкое напряжение. Полярность не имеет значения. Датчик NTC с диапазоном 0...З0°С

Уставка температуры

основной датчик и внешняя уставка Ventrex

Внешний управляющий сигнал

EKRV 15P может управляться сигналом 0-10 BDC, 0-20 тА извне. Сигнал 0 В соответствует 0% производительности, 10 В - 100%
производительности.

EKRV 15Р имеет выходной сигнал 0-10 BDC для управления другим контроллером.

внешний управляющий сигнал Ventrex

Переключатель режима управления

Имеет 2 положения - ВКЛ./ВЫКЛ. - ON/OFF


Монтаж

EKRV 15P должен монтироваться на стене в вертикальном положении. Класс защиты - IP20.

Перед снятием крышки следует снять рукоятку потенциометра уставки температуры.


Поиск возможных неисправностей

1. Убедитесь, что питание подключено правильно и DIP-переключатели выбора датчика установлены корректно. Убедитесь, что питание приходит на клеммы EKRV15P.

2. Убедитесь, что питание подается на нагреватель.

3. Отсоедините датчик температуры. Сопротивление датчика должно быть в пределах 10-15 кОм от нижнего до верхнего предела температуры.

4. Оставьте датчик температуры неподключенным. Подайте питание. EKRV15P должен давать непрерывный сигнал на включение нагревателя, и светодиод при этом должен гореть.

5. Отключите питание, замкните контакты датчика температуры накоротко и подайте питание снова. EKRV15P не должен давать сигнал на включение нагревателя, и светодиод не должен гореть. Убедитесь, что на нагреватель питание не подается.

поиск возможных неисправностей Ventrex


© 2026 ООО "СКС" (Киев, Украина)